Зажимной рычаг № 6828 AMF
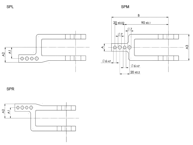
Зажимной рычаг № 6828 AMF Изготовлен из стали, для тяжелого пневматического зажима № 6828V, размер 40.
| № заказа | Размер | Артикул № | A -0,1 | А1 ± 0,1 | A2 | A3 | В | Вес [г] |
| 92080 | 40 | 6828SPL-40 | 16 | 23 | 31 | 54 | 117 | 520 |
| 91900 | 40 | 6828SPM-40 | 16 | 23 | 31 | 54 | 117 | 520 |
| 92007 | 40 | 6828SPR-40 | 16 | 23 | 31 | 54 | 117 | 520 |

Если вы хотите купить зажимной рычаг № 6828 AMF , вы можете:
Позвонить:
Ещё из раздела пневматические зажимные устройства сборные
Набор шестигранников Nr. 911BM10D AMF Набор шестигранников Nr. 911BM10D AMFОтвёртки AMF Набор Шестигранных ключей ISO 2936 (мм), 8 штук. Ключ хром-ванадиевой, с гальваническим покрытием, закаленный. Отшлифованные торцы. ... подробнее |
