Тяжелое пневматическое зажимное устройство № 6828V AMF
Тяжелое пневматическое зажимное устройство № 6828V AMF Зажим двойного действия. Максимальное рабочее давление 6 бар.
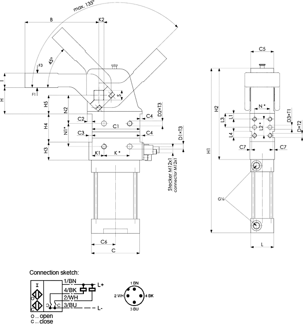
С плавно регулируемым углом открытия в диапазоне от 5 ° до 135 °. Алюминиевый корпус. С пневматическим демпфированием в конечном положении и самоблокирующимся. С индуктивным запросом 24 В в качестве стандарта.
Зажим не входит в комплект.
Применение:
Эти пневматические зажимные устройства для использования в автоматических линиях и на специальном оборудовании. Положение открытия и зажима этого зажимного устройства можно контролировать электрически, что позволяет использовать его в автоматических производственных процессах.
| № заказа | Размер | Зажимной момент при 5 бар [Нм] | Макс. момент удержания [Нм] | Вес [кг] |
| 91850 | 50 | 160 | 800 | 3,5 |
| 91876 | 63 | 380 | 1500 | 4,6 |
| 91892 | 80 | 800 | 2500 | 15.6 |
Таблица размеров:
| № заказа | Размер | B | C | C1 * | C2 | C3 | C4 | C5 | C6 | C7 | C8 | C9 | C10 | D | D1 H7 | D2 | ØD3 H7 | H ±0.2 | H1 | H2 | H3 | H4 +0.1 |
|---|---|---|---|---|---|---|---|---|---|---|---|---|---|---|---|---|---|---|---|---|---|---|
| 91850 | 50 | 144 | 94 | 93 | 10,5 | 6,5 | 4,5 | 45 | 52 | 3,5 | 108,0 | 52 | 33 | M8 | 10 | M10 | 8 | 51,5 | 321 | 178 | 35 | 55 |
| 91876 | 63 | 144 | 106 | 93 | 12,0 | 7,5 | 7,5 | 52 | 54 | 3,5 | 112,5 | 54 | 34 | M8 | 10 | M10 | 8 | 51,5 | 335 | 185 | 35 | 55 |
| 91892 | 80 | 179 | 140 | 134 | 20,0 | 8,0 | 8,0 | 74 | 81 | 3,5 | 162,0 | 72 | 33 | M10 | 12 | M12 | 8 | 70,0 | 488 | 270 | 55 | 80 |
| № заказа | Размер | K* | K1 ±0.1 | K2 ±0.05 | L | L1 ±0,1 | L2 ±0,1 | L3 ±0.05 | L4 | N* | N1* | N2 ±0.05 | S | T1 | T2 | T3 | Ø поршня |
|---|---|---|---|---|---|---|---|---|---|---|---|---|---|---|---|---|---|
| 91850 | 50 | 50 | 23 | 10 | 45 | 11 | 32 | 27 | 48 | 30 | 45 | 55 | 19 | 12 | 12 | 12 | 50 |
| 91876 | 63 | 50 | 23 | 10 | 52 | 11 | 32 | 27 | 54 | 30 | 45 | 55 | 22 | 12 | 12 | 12 | 63 |
| 91892 | 80 | 70 | 36 | 15 | 62 | 15 | 50 | 40 | 76 | 50 | 75 | 65 | 30 | 12 | 15 | 13 | 80 |

базовое назначение
пневматические зажимные устройства, ручной прижим заготовки
материал
повышенной прочности
по применению
для фрезерного станка
Если вы хотите купить тяжелое пневматическое зажимное устройство № 6828V AMF , вы можете:
Позвонить:
Ещё из раздела пневматические зажимные устройства сборные
Вакуумная зажимная плита №7800, сетка 12.5 Вакуумная зажимная плита №7800, сетка 12.5 Вакуумная зажимная плита на верхней стороне имеет пазы и всасывающие точки. Укладкой уплотнительного шнура можно образовать одно или ... подробнее |
