Усиленные губки для стабильного зажима AMF № 6497

Поворачиваемые зажимные губки, высокая модель с точной призматической направляющей.
Основное тело: ковкое железо.
Зажимные губки: закаленная сталь, закаленная. Реверсивные зажимные губки с гладкой стороной для обрабатываемых деталей и зубчатой стороной для шероховатых поверхностей зажима.

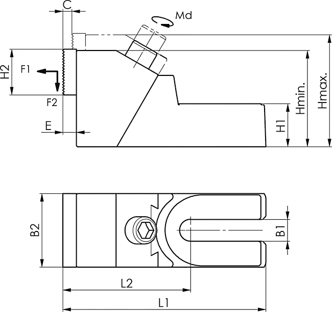
№ заказа | Паз | B1 | B2 | C | E | H мин. | Н мах. | H1 | H2 | L1 | L2 | F1* [kN] | F2* [kN] | Вес [g] |
№ 73213 | 12, 14, 16, 18 | 19 | 65 | 8 | 12 | 85 | 99 | 37 | 40 | 177,5 | 112,5 | 8, 15, 20, 28 | 1.2, 2.2, 3.0, 4.2 | 4050 |
№ 73221 | 20, 22, 24, 28, 30 | 26 | 75 | 11 | 12 | 100 | 118 | 45 | 40 | 226,5 | 136,5 | 30, 30, 32, 32, 36 | 4.5, 4.5, 4.8, 4.8, 5.4 | 6800 |
№ 73239 | 32, 36, 42 | 38 | 90 | 15 | 12 | 120 | 145 | 55 | 40 | 262,5 | 157,5 | 50 | 7,5 | 11300 |

Если вы хотите купить усиленные губки для стабильного зажима AMF № 6497 , вы можете:
Позвонить:
Ещё из раздела прихваты для низкого зажима
Комплект стяжных цепей AMF № 6540![]() Зажимной крюк, цепь и контропора из улучшенной стали. Крепление для T-образных пазов № 6541 нужно заказывать отдельно. Состоит из: - зажимного крюка - ... подробнее |