Боковое зажимное устройство AMF № 6498

Используется для захвата края заготовки.
M12x14, в комплекте с креплением M12.
Основная часть из цементируемой азотируемой стали.
Зажимной крюк из цементируемой стали, закаленный. Момент затяжки 75 Нм. Крепление с помощью винтов класса прочности 10.9.
Применение:
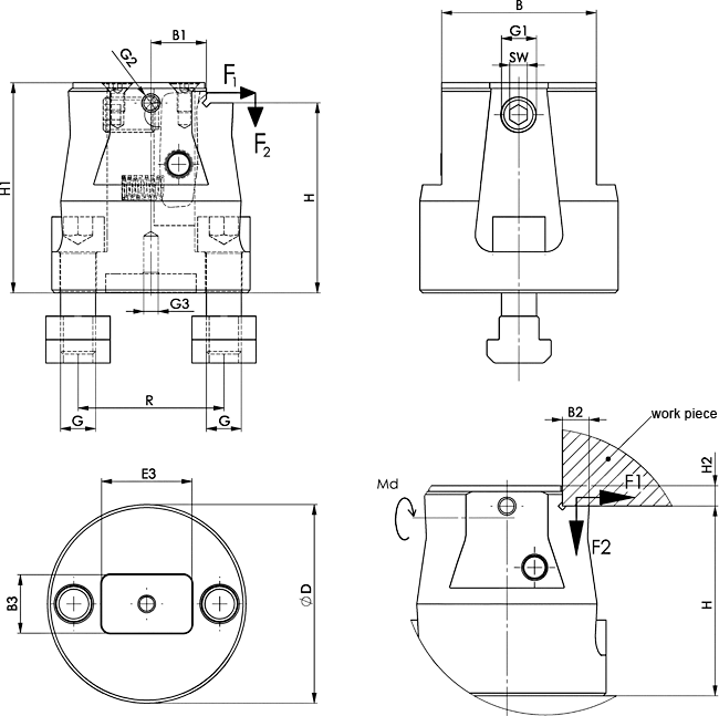
Механическое боковое зажимное устройство с эффектом притяжения можно использовать в качестве зажимного элемента и фиксированного упора. С помощью регулирующего винта заготовка зажимается зажимным крюком. Одновременно возникает эффект притяжения к опорной поверхности. При расположении упора сбоку заготовку можно зажимать с большой степенью повторяемой точности.
В сочетании с базовой пластиной № 6498FT боковое зажимное устройство можно использовать поперек паза стола. Вместе с круглой базовой пластиной № 6498FR - только вдоль паза стола.
Преимущество:
- компактная конструкция
- прочное и надежное закрепление заготовки благодаря эффекту притяжения
- повышенная степень зажима пластин для выполнения отверстий и пазов
- боковой зажим пластин для полной обработки поверхностей без дополнительного контура
- боковая резьба позволяет закрепить упор
- возможно горизонтальное и вертикальное использование
- уменьшение затрат на оснащение за счет сокращения времени и количества элементов оснащения
- многостороннее и разнообразное использование

№ заказа | Размер | Паз | Крутящий момент [Нм] | H ± 0,1 | F1 [кН] | F2 [кН] | Вес [г] |
73890 | M12x14 | 14 | 75 | 65 | 12 | 7 | 1530 |
375501 | M16x18 | 18 | 80 | 75 | 20 | 10 | 2627 |
374355 | M20x22 | 22 | 160 | 100 | 25 | 17 | 5996 |

базовое назначение
для обработки на ЧПУ станках, для стола с Т-образным пазом, крепление к столам с Т-пазом, ручной прижим заготовки, Т-образное, ромб
материал
повышенной прочности
по применению
для cтанкостроения, для металлообработки, для резки
Если вы хотите купить боковое зажимное устройство AMF № 6498 , вы можете:
Позвонить:
Ещё из раздела прихваты для низкого зажима
Набор шестигранников Nr. 911BM10D AMF![]() Отвёртки AMF Набор Шестигранных ключей ISO 2936 (мм), 8 штук. Ключ хром-ванадиевой, с гальваническим покрытием, закаленный. Отшлифованные торцы. ... подробнее |