Опорная плита с канавкой AMF № 6498FT
Опорная плита с канавкой AMF № 6498FT
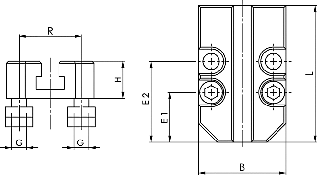
M12x14, в комплекте с сухарем. Основная часть из улучшенной стали, закаленной и отпущенной. Крепление с помощью винтов класса прочности 10.9.Применение:
Используется вместе с боковым зажимным устройством № 6498, чтобы зажимать также перпендикулярно пазу стола.
Преимущество:
- для простого использования бокового зажимного устройства также перпендикулярно пазу
- Увеличение опоры заготовки на 30 мм.
- Возможность смещения бокового зажимного устройства на опорной пластине на 40 мм
| № закза | Размер | Паз | H ± 0,1 | В | E1 | E2 | G | L | р | Вес [г] |
| 73908 | M12x14 | 14 | 30 | 70 | 40 | 65 | M12 | 110 | 50 | 1330 |
| 375543 | M16x18 | 18 | 50 | 125 | 40 | 90 | M16 | 130 | 100 | 4864 |
| 374397 | M20x22 | 22 | 60 | 120 | 75 | 150 | M20 | 200 | 85 | 7614 |

Если вы хотите купить опорная плита с канавкой AMF № 6498FT , вы можете:
Позвонить:
Ещё из раздела прихваты для низкого зажима
Набор шестигранников Nr. 911BM10D AMF Набор шестигранников Nr. 911BM10D AMFОтвёртки AMF Набор Шестигранных ключей ISO 2936 (мм), 8 штук. Ключ хром-ванадиевой, с гальваническим покрытием, закаленный. Отшлифованные торцы. ... подробнее |
