Адаптер № 6829AD AMF для поворотного зажимного устройства
Адаптер № 6829AD AMF для поворотного зажимного устройства для крепления индивидуальных зажимных рычагов. С конусом и соединительными отверстиями. Высокопрочный алюминиевый сплав. Износостойкая поверхность с покрытием HART-COAT®.
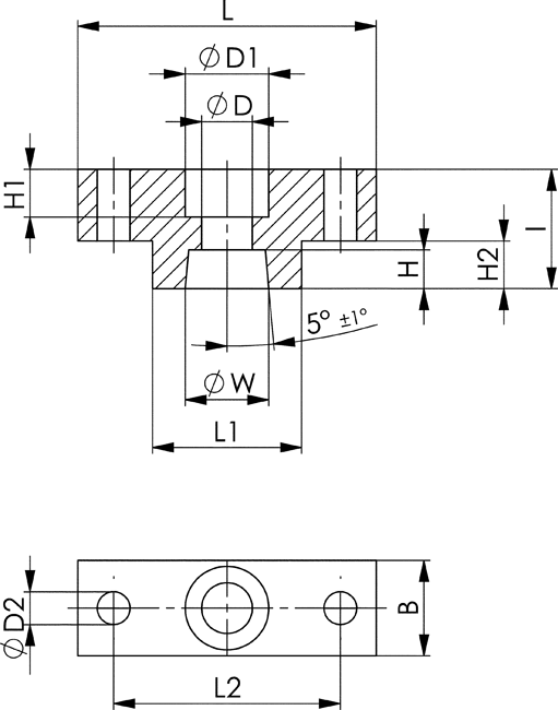
| № заказа | Размер | B | D1 | D2 | H | H1 | H2 | I | L | L1 | L2 | O | W | Вес [g] |
| 92403 | 12/16 | 12 | 10 | 4,5 | 5 | 7 | 6 | 14 | 30 | 13 | 22 | 5,5 | 8 | 8 |
| 92411 | 20 | 16 | 14 | 5,5 | 5,5 | 10,5 | 8 | 20 | 40 | 18 | 30 | 8,5 | 12 | 20 |
| 92429 | 25 | 16 | 14 | 5,5 | 6,5 | 8 | 8 | 20 | 50 | 25 | 38 | 8,5 | 14 | 28 |
| 92437 | 32/40 | 19 | 14 | 7 | 9 | 11 | 10 | 25 | 60 | 30 | 45 | 8,5 | 16 | 50 |
| 92452 | 50/63 | 25 | 17 | 9 | 10 | 14 | 12 | 30 | 65 | 30 | 48 | 10,5 | 20 | 80 |
Пример использования:
Адаптер для применения в качестве соединительного элемента между индивидуальной натяжной планкой и поршневым штоком пневматического откидного зажимного устройства №6829.

Если вы хотите купить адаптер № 6829AD AMF для поворотного зажимного устройства , вы можете:
Позвонить:
Ещё из раздела поворотные зажимные устройства
Губки для низкого зажима, модель „Bulle" AMF № 6490Губки для низкого зажима, модель „Bulle" AMF № 6490 Улучшенная сталь, отпущенная с воронением. Упаковка: 2 в коробке в комплекте с крепежным винтом ISO 4762 (10.9), ... подробнее |

