Поворотное зажимное устройство, пневматическое, ввинчивающаяся модель № 6829ER/EL AMF
Пневматическое поворотное зажимное устройство, ввинчивающаяся модель № 6829ER/EL AMF С двойным действием. Поршневой шток из нержавеющей полированной стали. Основная часть из алюминия. Износостойкая поверхность с покрытием HARTCOAT®. Включая винт и пружинную шайбу для легкой предварительной
настройки положения зажимного рычага.
Варианты крепления:
- с помощью шлицевой гайки 6829N (DIN 70852)
- с помощью резьбового фланца 6829GF
Принадлежности (не входят в объем поставки):
- зажимной рычаг 6829SP
- шлицевая гайка 6829N
- резьбовой фланец 6829GF
- прижимной винт 6880
| № заказа | № изделия | Размер | поворачивающийся вправо | поворачивающийся влево | F3 [kN] | Вес [g] |
| 92809 | 6829ER-25 | 25 | X | - | 0,17 | 450 |
| 92858 | 6829EL-25 | 25 | - | X | 0,17 | 450 |
| 92817 | 6829ER-32 | 32 | X | - | 0,27 | 550 |
| 92866 | 6829EL-32 | 32 | - | X | 0,27 | 550 |
| 92825 | 6829ER-40 | 40 | X | - | 0,45 | 700 |
| 92874 | 6829EL-40 | 40 | - | X | 0,45 | 700 |
| 92833 | 6829ER-50 | 50 | X | - | 0,7 | 850 |
| 92882 | 6829EL-50 | 50 | - | X | 0,7 | 850 |
| 92841 | 6829ER-63 | 63 | X | - | 1,1 | 1000 |
| 92890 | 6829EL-63 | 63 | - | X | 1,1 | 1000 |


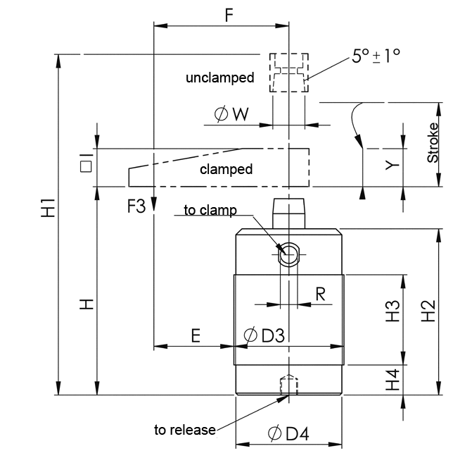
Таблица размеров:
| № заказа | Размер | d3 | ød4 | e | f | h | h1 | h2 | h3 | h4 | i | M | o | R | øw | Диаметр поршня | Y1 ход поворота | Y2 ход зажима* | Общий ход Y |
| 92809 | 25 | M40x1,5 | 38 | 30 | 50 | 73 | 118 | 70 | 35 | 10 | 16 | M 6 | M 8 | M 5 | 14 | 25 | 9 | 17 | 26 |
| 92858 | 25 | M40x1,5 | 38 | 30 | 50 | 73 | 118 | 70 | 35 | 10 | 16 | M 6 | M 8 | M 5 | 14 | 25 | 9 | 17 | 26 |
| 92817 | 32 | M50x1,5 | 48 | 35 | 60 | 83 | 132 | 79 | 40 | 15 | 19 | M 8 | M 8 | G1/8 | 16 | 32 | 16 | 14 | 30 |
| 92866 | 32 | M50x1,5 | 48 | 35 | 60 | 83 | 132 | 79 | 40 | 15 | 19 | M 8 | M 8 | G1/8 | 16 | 32 | 16 | 14 | 30 |
| 92825 | 40 | M55x1,5 | 53 | 42,5 | 70 | 87 | 136 | 83 | 45 | 15 | 19 | M 8 | M 8 | G1/8 | 16 | 40 | 13 | 17 | 30 |
| 92874 | 40 | M55x1,5 | 53 | 42,5 | 70 | 87 | 136 | 83 | 45 | 15 | 19 | M 8 | M 8 | G1/8 | 16 | 40 | 13 | 17 | 30 |
| 92833 | 50 | M65x1,5 | 62 | 47,5 | 80 | 92 | 148 | 87 | 50 | 15 | 25,5 | M12 | M10 | G1/8 | 20 | 50 | 8 | 22 | 30 |
| 92882 | 50 | M65x1,5 | 62 | 47,5 | 80 | 92 | 148 | 87 | 50 | 15 | 25,5 | M12 | M10 | G1/8 | 20 | 50 | 8 | 22 | 30 |
| 92841 | 63 | M80x1,5 | 77 | 50 | 90 | 98 | 153 | 92 | 56 | 15 | 25,5 | M12 | M10 | G1/8 | 20 | 63 | 12 | 15 | 27 |
| 92890 | 63 | M80x1,5 | 77 | 50 | 90 | 98 | 153 | 92 | 56 | 15 | 25,5 | M12 | M10 | G1/8 | 20 | 63 | 12 | 15 | 27 |
Если вы хотите купить поворотное зажимное устройство, пневматическое, ввинчивающаяся модель № 6829ER/EL AMF , вы можете:
Позвонить:
Ещё из раздела поворотные зажимные устройства
Комплект стяжных цепей AMF № 6540 Комплект стяжных цепей AMF № 6540 Зажимной крюк, цепь и контропора из улучшенной стали. Крепление для T-образных пазов № 6541 нужно заказывать отдельно. Состоит из: - зажимного крюка - ... подробнее |
