Поворотное зажимное устройство, пневматическое, блочная версия № 6829BR/BL AMF
Поворотное зажимное устройство, пневматическое, блочная версия № 6829BR/BL AMF С двойным действием. Поршневой шток из нержавеющей полированной стали. Основная часть из алюминия. Износостойкая поверхность с покрытием HART-COAT®. Магнитный поршень для запроса конечного положения.
Включая винт и пружинную шайбу для легкой предварительной настройки положения зажимного рычага.
Варианты крепления:
- через поперечное отверстие спереди или сзади
- сверху с помощью длинного винта с цилиндрической
головкой ISO 4762 (DIN 912)
- снизу через резьбовые отверстия
Принадлежности (не входят в объем поставки):
- зажимной рычаг 6829SP
- прижимной винт 6880
| № заказа | № изделия | Размер | поворачивающийся вправо | поворачивающийся влево | F3 [kN] | Вес [g] |
| 91496 | 6829BR-12 | 12 | X | - | 0,03 | 200 |
| 91397 | 6829BL-12 | 12 | - | X | 0,03 | 200 |
| 91504 | 6829BR-16 | 16 | X | - | 0,06 | 300 |
| 91405 | 6829BL-16 | 16 | - | X | 0,06 | 300 |
| 91512 | 6829BR-20 | 20 | X | - | 0,08 | 400 |
| 91413 | 6829BL-20 | 20 | - | X | 0,08 | 400 |
| 91520 | 6829BR-25 | 25 | X | - | 0,17 | 600 |
| 91421 | 6829BL-25 | 25 | - | X | 0,17 | 600 |
| 91538 | 6829BR-32 | 32 | X | - | 0,27 | 800 |
| 91439 | 6829BL-32 | 32 | - | X | 0,27 | 800 |
| 91546 | 6829BR-40 | 40 | X | - | 0,45 | 920 |
| 91447 | 6829BL-40 | 40 | - | X | 0,45 | 920 |
| 91553 | 6829BR-50 | 50 | X | - | 0,7 | 1000 |
| 91454 | 6829BL-50 | 50 | - | X | 0,7 | 1000 |
| 91561 | 6829BR-63 | 63 | X | - | 1,1 | 1150 |
| 91462 | 6829BL-63 | 63 | - | X | 1,1 | 115 |

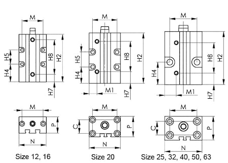
Таблица размеров:
| № заказа | Размер | c | ød2 | d3 | ød4 | e | f | g | g8 | h | h1 освободить из зажима | h1 зажать | h2 | h3 | h4 | h5 | h6 | h7 | h8 | i | k | L | M | m |
| 91496 | 12 | - | 4,3 | M 5 | 4,3 | 25 | 35 | 31 | 20 | 75 | 104 | 88 | 70 | 15 | 26 | 21 | 28 | 11 | 51 | 12 | 10 | 24 | M 4 | 40 |
| 91397 | 12 | - | 4,3 | M 5 | 4,3 | 25 | 35 | 31 | 20 | 75 | 104 | 88 | 70 | 15 | 26 | 21 | 28 | 11 | 51 | 12 | 10 | 24 | M 4 | 40 |
| 91504 | 16 | - | 4,3 | M 5 | 4,3 | 30 | 41 | 31 | 21 | 75 | 104 | 88 | 70 | 15 | 26 | 21 | 28 | 11 | 51 | 12 | 13 | 28 | M 4 | 42 |
| 91405 | 16 | - | 4,3 | M 5 | 4,3 | 30 | 41 | 31 | 21 | 75 | 104 | 88 | 70 | 15 | 26 | 21 | 28 | 11 | 51 | 12 | 13 | 28 | M 4 | 42 |
| 91512 | 20 | 20 | 5,5 | M 6 | 5,5 | 35 | 48 | 36 | 11,5 | 79 | 124 | 97 | 74 | 20 | 24 | 22 | 33 | 17 | 44,5 | 16 | 5 | 30 | M 6 | 46 |
| 91413 | 20 | 20 | 5,5 | M 6 | 5,5 | 35 | 48 | 36 | 11,5 | 79 | 124 | 97 | 74 | 20 | 24 | 22 | 33 | 17 | 44,5 | 16 | 5 | 30 | M 6 | 46 |
| 91520 | 25 | 20 | 6,5 | M 8 | 8,5 | 35 | 50 | 40 | 17 | 82 | 125 | 98 | 78 | 20 | 32 | - | 50 | 17 | 44,5 | 16 | 7,5 | 35 | M 6 | 55 |
| 91421 | 25 | 20 | 6,5 | M 8 | 8,5 | 35 | 50 | 40 | 17 | 82 | 125 | 98 | 78 | 20 | 32 | - | 50 | 17 | 44,5 | 16 | 7,5 | 35 | M 6 | 55 |
| 91538 | 32 | 30 | 6,5 | M 8 | 8,5 | 40 | 60 | 45 | 18 | 96 | 145 | 115 | 90 | 20 | 43 | - | 52 | 22 | 50 | 19 | 7,5 | 45 | M 8 | 60 |
| 91439 | 32 | 30 | 6,5 | M 8 | 8,5 | 40 | 60 | 45 | 18 | 96 | 145 | 115 | 90 | 20 | 43 | - | 52 | 22 | 50 | 19 | 7,5 | 45 | M 8 | 60 |
| 91546 | 40 | 37 | 8,5 | M10 | 8,5 | 45,5 | 70 | 52 | 22 | 95 | 145 | 114 | 90 | 25 | 40 | - | 55 | 20 | 52 | 19 | 9 | 55 | M 8 | 70 |
| 91447 | 40 | 37 | 8,5 | M10 | 8,5 | 45,5 | 70 | 52 | 22 | 95 | 145 | 114 | 90 | 25 | 40 | - | 55 | 20 | 52 | 19 | 9 | 55 | M 8 | 70 |
| 91553 | 50 | 46 | 8,5 | M10 | 10,5 | 49 | 80 | 66 | 25 | 106 | 162 | 132 | 100 | 30 | 45 | - | 60 | 25 | 53,5 | 25,5 | 9,5 | 65 | M12 | 85 |
| 91454 | 50 | 46 | 8,5 | M10 | 10,5 | 49 | 80 | 66 | 25 | 106 | 162 | 132 | 100 | 30 | 45 | - | 60 | 25 | 53,5 | 25,5 | 9,5 | 65 | M12 | 85 |
| 91561 | 63 | 60 | 10,5 | M12 | 10,5 | 52,5 | 90 | 80 | 30 | 106 | 162 | 132 | 100 | 30 | 36 | - | 69 | 28 | 53 | 25,5 | 10 | 80 | M12 | 100 |
| 91462 | 63 | 60 | 10,5 | M12 | 10,5 | 52,5 | 90 | 80 | 30 | 106 | 162 | 132 | 100 | 30 | 36 | - | 69 | 28 | 53 | 25,5 | 10 | 80 | M12 | 100 |
| № заказа | Размер | øo | R | T8 | øw | Диаметр поршня | Y1 ход поворота | Y2 ход зажима* | Общий ход Y |
| 91496 | 12 | M 5 | M 5 | 5 | 8 | 12 | 7 | 9 | 16 |
| 91397 | 12 | M 5 | M 5 | 5 | 8 | 12 | 7 | 9 | 16 |
| 91504 | 16 | M 5 | M 5 | 4,5 | 8 | 16 | 7 | 9 | 16 |
| 91405 | 16 | M 5 | M 5 | 4,5 | 8 | 16 | 7 | 9 | 16 |
| 91512 | 20 | M 8 | M 5 | 4,5 | 12 | 20 | 12 | 15 | 27 |
| 91413 | 20 | M 8 | M 5 | 4,5 | 12 | 20 | 12 | 15 | 27 |
| 91520 | 25 | M 8 | M 5 | 5 | 14 | 25 | 15 | 12 | 27 |
| 91421 | 25 | M 8 | M 5 | 5 | 14 | 25 | 15 | 12 | 27 |
| 91538 | 32 | M 8 | G1/8 | 6,5 | 16 | 32 | 16 | 14 | 30 |
| 91439 | 32 | M 8 | G1/8 | 6,5 | 16 | 32 | 16 | 14 | 30 |
| 91546 | 40 | M 8 | G1/8 | 8 | 16 | 40 | 16 | 15 | 31 |
| 91447 | 40 | M 8 | G1/8 | 8 | 16 | 40 | 16 | 15 | 31 |
| 91553 | 50 | M10 | G1/8 | 6,5 | 20 | 50 | 15 | 15 | 30 |
| 91454 | 50 | M10 | G1/8 | 6,5 | 20 | 50 | 15 | 15 | 30 |
| 91561 | 63 | M10 | G1/8 | 8,5 | 20 | 63 | 15 | 15 | 30 |
| 91462 | 63 | M10 | G1/8 | 8,5 | 20 | 63 | 15 | 15 | 30 |

Если вы хотите купить поворотное зажимное устройство, пневматическое, блочная версия № 6829BR/BL AMF , вы можете:
Позвонить:
Ещё из раздела поворотные зажимные устройства
Губки для низкого зажима, модель „Bulle" AMF № 6490Губки для низкого зажима, модель „Bulle" AMF № 6490 Улучшенная сталь, отпущенная с воронением. Упаковка: 2 в коробке в комплекте с крепежным винтом ISO 4762 (10.9), ... подробнее |

