Прихват для тисков пара AMF № 6325 поковка
Прихват для тисков станка, пара AMF № 6325
Поковка, парная упаковка.
Используется для закрепления заготовок сложной формы или больших габаритов. Служит для защиты от деформации заготовок и непосредственно улучшения жёсткости крепления заготовок.
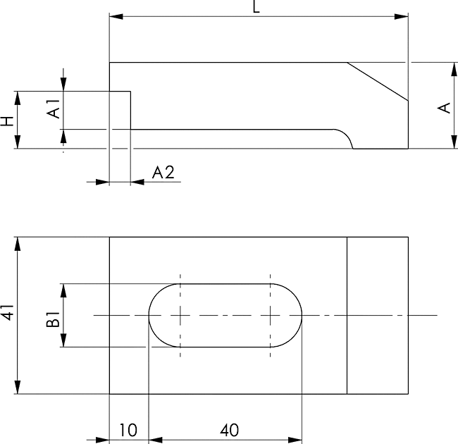
| № заказа | B1 | L | для натяжного болта метр. | для натяжного болта дюйм | для ширины губок | A | A1xA2 | H | Вес [g] |
| 373878 | 16,5 | 78 | M12, 14, 16 | 1/2, 5/8 | 100 | 22,5 | 10x5,5 | 15 | 325 |
| 373886 | 16,5 | 78 | M12, 14, 16 | 1/2, 5/8 | 125/160 | 27,5 | 10x6,5 | 20 | 342 |

Если вы хотите купить прихват для тисков пара AMF № 6325 поковка , вы можете:
Позвонить:
Ещё из раздела прихваты
Губки для низкого зажима, модель „Bulle" AMF № 6490Губки для низкого зажима, модель „Bulle" AMF № 6490 Улучшенная сталь, отпущенная с воронением. Упаковка: 2 в коробке в комплекте с крепежным винтом ISO 4762 (10.9), ... подробнее |

