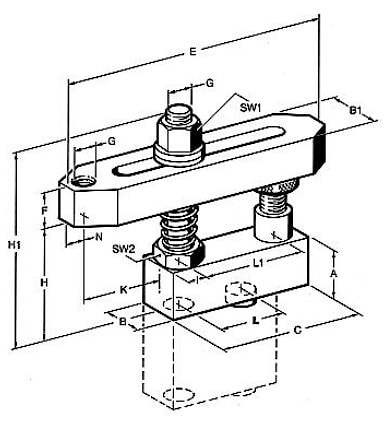
Зажимной элемент механический № 7110B AMF
Зажимной элемент механический № 7110B AMF| № заказа | № изделия | Диапазон зажима H мин.-макс. | Зажимное усилие макс.*[kN] | G | Вес, гр. |
| 119388 | 7110B-12-02 | 78-283 | 15 | M12 | 3150 |
| 181743 | 7110B-16-02 | 100-346 | 30 | M16 | 6070 |

базовое назначение
система станочных прижимов
Если вы хотите купить зажимной элемент механический № 7110B AMF , вы можете:
Позвонить:
Ещё из раздела Установочные зажимные модули
Губки для низкого зажима, модель „Bulle" AMF № 6490Губки для низкого зажима, модель „Bulle" AMF № 6490 Улучшенная сталь, отпущенная с воронением. Упаковка: 2 в коробке в комплекте с крепежным винтом ISO 4762 (10.9), ... подробнее |

