Установочный зажимной модуль No. 6204HA
Установочный зажимной модуль K10.2Гидравлическое открытие.
Пневматический выдув.
Открытое рабочее давление: мин. 50 бар - макс. 60 бар
Усиленная крышка и поршень.
Стабильность <0,005 мм.
Применение:
Применяется во всех областях, а также в пищевой, фармацевтической и химической промышленности.
| № заказа | Название модели | Усилие захвата[кН] | Усилие зажима [kN] | Выдувание | Вес [Kg] |
| 427369 | K10.2 | 10 | 25 | ● | 0,6 |

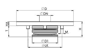
| № заказа | Модель | ⌀ D | ⌀ DN | ⌀ D1 | H | HA | ⌀ LK | M | T |
| 427369 | K10.2 | 112 | 22 | 50 | 30 | 8 | 77 | M6 | 22 |
Если вы хотите купить установочный зажимной модуль No. 6204HA , вы можете:
Позвонить:
Ещё из раздела Установочные зажимные модули
Губки для низкого зажима, модель „Bulle" AMF № 6490Губки для низкого зажима, модель „Bulle" AMF № 6490 Улучшенная сталь, отпущенная с воронением. Упаковка: 2 в коробке в комплекте с крепежным винтом ISO 4762 (10.9), ... подробнее |

