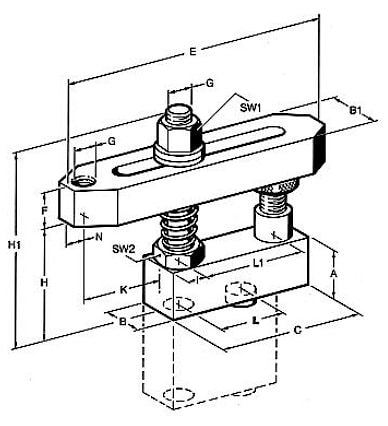
Зажимной элемент механический № 7110ML AMF
Зажимной элемент механический № 7110ML AMFТаблица размеров:
| № заказа | № изделия | A x B x C | B1 | E | F | G | H | Вес, гр. |
| 76646 | 7110ML-12-1 | 25x25x 85 | 35 | 156 | 20 | M12 | 48-78 | 1060 |
| 76620 | 7110ML-16-1 | 30x30x107 | 45,5 | 196 | 30 | M16 | 60-96 | 2230 |
| № заказа | H1 | I | K | L | L1 | N | SW1 | SW2 |
| 76646 | 112 | 12,5 | 14-47 | 40 | 60 | 10 | 19 | 22 |
| 76620 | 145 | 14 | 16-61 | 49 | 75 | 13 | 24 | 27 |

базовое назначение
система станочных прижимов
Если вы хотите купить зажимной элемент механический № 7110ML AMF , вы можете:
Позвонить:
Ещё из раздела Установочные зажимные модули
Губки для низкого зажима, модель „Bulle" AMF № 6490Губки для низкого зажима, модель „Bulle" AMF № 6490 Улучшенная сталь, отпущенная с воронением. Упаковка: 2 в коробке в комплекте с крепежным винтом ISO 4762 (10.9), ... подробнее |

