Шатунное зажимное устройство №6842РК AMF
Шатунное зажимное устройство №6842РК AMF Тяжелое шатунное зажимное устройство с массивным рычагом.
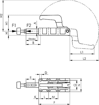
Прижимное и натяжное устройство. (Шатун и рычаг движутся синхронно).
Тяжелая модель с длинной направляющей шатуна.
Основная часть из вороненого ковкого чугуна. Закаленные болты.
Детали рычага и шатуна из улучшенной стали,вороненые.
Ручка из красной, маслостойкой пластмассы.
В комплекте с прижимным винтом № 6880 из улучшенной стали.
| № заказа | Размер | F1 [kN] | F2 [кН] | Зажимной винт | Вес [г] |
| 92544 | 4 | 7 | 7 | M 8x35 | 590 |
| 92569 | 5 | 12 | 12 | M10x50 | +1650 |
| 92585 | 7 | 25 | 25 | M12x50 | 4150 |
| 92601 | 8 | 45 | 45 | M16x80 | 7420 |

Таблица размеров
| № заказа | Размер | A | B | D | E | F | G | H | Ход | K | L | M | N |
| 92544 | 4 | 14 | 63 | 5,5 | 30 | 90 | 33,3 | 12 | 32 | 25,0 | 36,5 | - | 47 |
| 92569 | 5 | 20 | 63 | 8,5 | 50 | 137 | 41,0 | 18 | 50 | 8,0 | 35,0 | 41 | 62 |
| 92585 | 7 | 25 | 114 | 10,5 | 50 | 198 | 54,0 | 22 | 75 | 12,0 | 45,0 | 45 | 78 |
| 92601 | 8 | 30 | 149 | 10,5 | 60 | 254 | 57,0 | 28 | 100 | 14,5 | 70,0 | 70 | 86 |
Если вы хотите купить шатунное зажимное устройство №6842РК AMF , вы можете:
Позвонить:
Ещё из раздела шатунные зажимные устройства
Губки для низкого зажима, модель „Bulle" AMF № 6490Губки для низкого зажима, модель „Bulle" AMF № 6490 Улучшенная сталь, отпущенная с воронением. Упаковка: 2 в коробке в комплекте с крепежным винтом ISO 4762 (10.9), ... подробнее |

