Прихват со ступенчатыми зубьями AMF № 6314Z
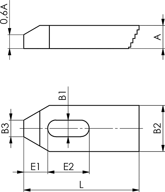
Прихват со ступенчатыми зубьями AMF № 6314ZОкрашенная улучшенная сталь. Подходит только для зубчатых подкладок № 6500E. Длинная модель предусмотрена для больших расстояний зажима в связи с удаленностью пазов друг от друга или большой глубины зажима на заготовке, например, на гравировальных машинах.
| № заказа | B1 | L | Для зажимного винта метрической | Для зажимного винта дюйм | A | B2 | B3 | E1 | E2 | Вес [г] |
| 70359 | 6,6 | 50 | M6 | 1/4 | 10 | 20 | 8 | 10 | 20 | 55 |
| 70227 | 6,6 | 80 | M6 | 1/4 | 10 | 20 | 8 | 10 | 45 | 90 |
| 70367 | 9 | 60 | M8 | 5/16 | 12 | 25 | 10 | 13 | 22 | 100 |
| 70243 | 9 | 100 | M8 | 5/16 | 12 | 25 | 10 | 13 | 60 | 180 |
| 70375 | 11 | 80 | M10 | 3/8 | 15 | 30 | 12 | 15 | 30 | 200 |
| 70235 | 11 | 125 | M10 | 3/8 | 15 | 30 | 12 | 15 | 70 | 350 |
| 70383 | 14 | 100 | М12 М14 | 1/2 | 20 | 40 | 14 | 21 | 40 | 450 |
| 70250 | 14 | 160 | М12 М14 | 1/2 | 20 | 40 | 14 | 21 | 90 | 770 |
| 70391 | 18 | 125 | М16 М18 | 5/8 | 25 | 50 | 18 | 26 | 45 | 900 |
| 70334 | 18 | 200 | М16 М18 | 5/8 | 25 | 50 | 18 | 26 | 110 | 1500 |
| 70409 | 22 | 160 | М20 М22 | 3/4 | 30 | 60 | 22 | 30 | 60 | 1700 |
| 70417 | 26 | 200 | M24 | 1 | 30 | 70 | 26 | 35 | 80 | 2500 |

Если вы хотите купить прихват со ступенчатыми зубьями AMF № 6314Z , вы можете:
Позвонить:
Ещё из раздела прихваты
Набор шестигранников Nr. 911BM10D AMF Набор шестигранников Nr. 911BM10D AMFОтвёртки AMF Набор Шестигранных ключей ISO 2936 (мм), 8 штук. Ключ хром-ванадиевой, с гальваническим покрытием, закаленный. Отшлифованные торцы. ... подробнее |
