Захват с компенсатором, пневматический AMF № 1650-213
Захват с компенсатором, пневматический AMF № 1650-213
Описание:
Захват обеспечивает полностью автоматическую смену заготовки в процессе обработки на станке. Он заменяется из инструментального магазина фрезерного станка и позволяет перемещать детали между хранилищем деталей и зажимным устройством. Он приводится в действие сжатым воздухом, который проходит через шпиндель станка. Захват закрывается пневматически, а открытие происходит под действием силы пружины.
Встроенная функция подпружиненного противовеса CX защищает инструмент, шпиндель станка и заготовку, а также компенсирует допуски и неровности.
- Макс. допустимая скорость: 20 [об / мин]
- Подходит для седла Weldon и гидравлических расширительных патронов
- Рассчитана на температуру окружающей среды от 0 ° C до 60 ° C
- Транспортировка заготовок макс. 8 кг
- В стандартную поставку входят три сменных уплотнения
- Доступны два исполнения для размеров заготовок до макс. 50 мм или 70 мм
Особенности:
- Функция уравновешивания (Z: 5 мм, C: +/- 3 °) обеспечивает оптимальную защиту всех компонентов, а также компенсацию допусков и неровностей
- Усилие захвата можно легко регулировать с помощью клапана регулирования давления и, таким образом, адаптировать к соответствующему требования к обрабатываемым деталям
- Легко заменяемые вставки захватов для обработки деталей различной геометрии
- Простая реализация смены без участия человека, что означает более эффективное использование станка и большую гибкость
- Значительное сокращение времени наладки для малых и средних партий
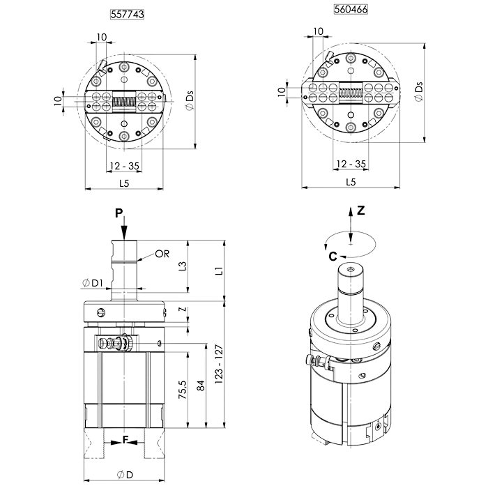
| № заказа | Мин. рабочее давление P[бар] | Макс. рабочее давление P[бар] | Ход [мм] | Сила захвата F[Н] | Вес [г] |
| 557743 | 2 | 8 | 23 | 200-700 | 2160 |
| 560466 | 2 | 8 | 23 | 200-700 | 2257 |
Ещё из раздела Захваты
Набор шестигранников Nr. 911BM10D AMF Набор шестигранников Nr. 911BM10D AMFОтвёртки AMF Набор Шестигранных ключей ISO 2936 (мм), 8 штук. Ключ хром-ванадиевой, с гальваническим покрытием, закаленный. Отшлифованные торцы. ... подробнее |


