Захват без компенсатора, гидравлический AMF № 1650-220
Захват без компенсатора, гидравлический AMF № 1650-220
Описание:
Захват обеспечивает полностью автоматическую смену заготовки в процессе обработки на станке. Он заменяется из инструментального магазина фрезерного станка и позволяет перемещать детали между складом деталей и зажимным устройством. Он приводится в действие воздушно-охлаждающей жидкостью, проходящей через шпиндель станка. Захват закрывается гидравлически, а открытие происходит за счет усилия пружины.
- Макс. допустимая скорость: 20 [об / мин]
- Подходит для Weldon и гидравлических расширительных патронов
- Рассчитана на температуру окружающей среды от 0 ° C до 60 ° C
- Транспортировка заготовок макс. 8 кг
- В стандартную поставку входят три сменных уплотнения
- Доступны два исполнения для размеров заготовок до макс. 50 мм или 70 мм
Особенности:
- Усилие захвата можно легко регулировать с помощью дросселей и, таким образом, адаптировать к соответствующим требованиям обрабатываемых деталей
- Легко заменяемые вставки для захвата для работы с деталями различной геометрии
- Простая реализация смены без участия человека, что означает более эффективное использование станка и большую гибкость
- Значительное сокращение времени на переналадку для малых и средних партий
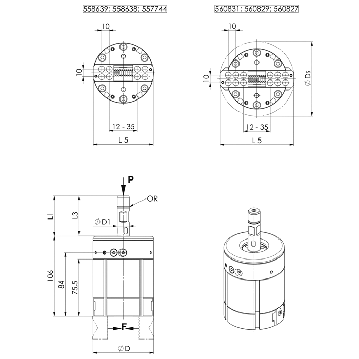
| № заказа | Мин. рабочее давление P [бар] | Макс. рабочее давление P [бар] | Ход[мм] | Сила захвата F [Н] | Вес [г] |
| 558639 | 25 | 30 | 23 | 250, 500, 1000 | 1762 |
| 558638 | 35 | 40 | 23 | 250, 500, 1000 | 1762 |
| 557744 | 45 | 50 | 23 | 250, 500, 1000 | 1762 |
| 560831 | 25 | 30 | 23 | 250, 500, 1000 | 1820 |
| 560829 | 35 | 40 | 23 | 250, 500, 1000 | 1820 |
| 560827 | 45 | 50 | 23 | 250, 500, 1000 | 1820 |
Ещё из раздела Захваты
Магнитная зажимная плита № 2990-50 Магнитная зажимная плита № 2990-50 Магнитная зажимная пластина с квадратным полюсом в моноблочной конструкции. Для позиционирования, зажима и обработки намагничиваемых материалов. Эта ... подробнее |


