Захват без компенсатора, пневматический AMF № 1650-210
Захват с компенсатором, пневматический AMF № 1650-213
Описание:
Захват обеспечивает полностью автоматическую смену заготовки в процессе обработки на станке. Он заменяется из инструментального магазина фрезерного станка и позволяет перемещать детали между хранилищем деталей и зажимным устройством.
Он приводится в действие сжатым воздухом, который проходит через шпиндель станка. Захват закрывается пневматически, а открытие происходит под действием силы пружины.
- Макс. допустимая скорость: 20 [об / мин]
- Подходит для Weldon и гидравлических расширительных патронов
- Рассчитана на температуру окружающей среды от 0 ° C до 60 ° C
- Транспортировка заготовок макс. 8 кг
- В стандартную поставку входят три сменных уплотнения
- Доступны два исполнения для размеров заготовок до макс. 50 мм или 70 мм
Захват с компенсатором, пневматический AMF № 1650-213
Особенности:
- Усилие захвата можно легко отрегулировать с помощью клапана регулировки давления и, таким образом, адаптировать к соответствующим требованиям обрабатываемых деталей
- Легко заменяемые вставки захвата для работы с деталями различной геометрии
- Простое осуществление смены без участия человека, что означает более эффективное использование станка и большую гибкость
- Значительное сокращение времени настройки для малых и средних партий
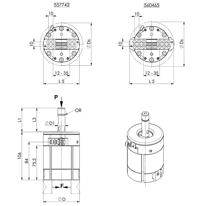
| № заказа | Мин. рабочее давление P[бар] | Макс. рабочее давление P[бар] | Ход [мм] | Сила захвата F [Н] | Вес[г] |
| 557742 | 2 | 8 | 23 | 200-700 | 1720 |
| 560465 | 2 | 8 | 23 | 200-700 | 1720 |
Ещё из раздела Захваты
Домкрат винтовой до 600kN AMF № 6400 Домкрат винтовой с плоской опорной поверхностью AMF № 6400 Центрирующее отверстие Ø12 мм. Шпиндель: Трапецеидальная самотормозящаяся резьба ... подробнее |


