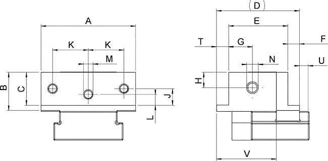
Зажимной кулачок № 6371 глубокий
Зажимной кулачок № 6371, глубокий С одним зажимным болтом и двумя крепежными болтами. Закаленный - 60 HRC.
| № заказа | Размер | Для ширины кулачка | Усилие зажима [кН] | Зажимной ход [мм] | Вес [г] |
| 300863 | 4109-50 | 50 | 12 | 2 | 390 |
| 300889 | 4119-80 | 80 | 15 | 2 | 1430 |

Если вы хотите купить зажимной кулачок № 6371 глубокий , вы можете:
Позвонить:
Ещё из раздела Составная зажимная система AMF 6371
Губки для низкого зажима, модель „Bulle" AMF № 6490Губки для низкого зажима, модель „Bulle" AMF № 6490 Улучшенная сталь, отпущенная с воронением. Упаковка: 2 в коробке в комплекте с крепежным винтом ISO 4762 (10.9), ... подробнее |

