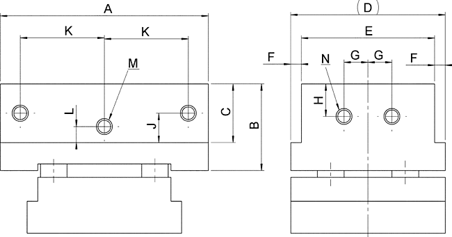
Центральный кулачок № 6371
Центральный кулачок № 6371 Для зажима с двух сторон, закаленная - 60 HRC.
| № заказа | Размер | Для направляющей шириной | Вес [г] |
| 300905 | 4112-50 | 50 | 370 |
| 300921 | 4300-80 | 80 | 1424 |

Если вы хотите купить центральный кулачок № 6371 , вы можете:
Позвонить:
Ещё из раздела Составная зажимная система AMF 6371
Комплект стяжных цепей AMF № 6540 Комплект стяжных цепей AMF № 6540 Зажимной крюк, цепь и контропора из улучшенной стали. Крепление для T-образных пазов № 6541 нужно заказывать отдельно. Состоит из: - зажимного крюка - ... подробнее |
