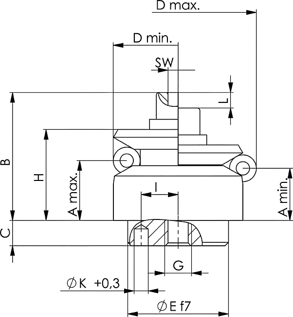
Центрирующий зажим с шариком № 6383ZEK
Центрирующий зажим с шариком AMF № 6383ZEK Можно использовать сверху.
Точность повторения ±0,025 мм
Точность вращения ±0,025 мм
Преимущество:
- Малая высота установки
- Зажим в нулевой точке
- Эффект опускания
- Зажим без искажений
| № заказа | D мин. | D макс. | Мин. | Макс. | H | P [кН] | Вес [г] |
| 373357 | 11,7 | 14,2 | 3,0 | 4,2 | 10,0 | 0,5 | 18 |
| 373365 | 14,5 | 18,5 | 8,6 | 9,8 | 14,5 | 3,5 | 20 |
| 373373 | 18,5 | 22,5 | 10,4 | 11,6 | 16,5 | 4,0 | 40 |
| 373381 | 22,5 | 26,5 | 13,0 | 14,2 | 19,8 | 4,5 | 60 |
| 373399 | 26,5 | 30,5 | 13,0 | 14,2 | 19,8 | 4,5 | 86 |
| 373407 | 30,5 | 38,5 | 11,9 | 14,2 | 23,1 | 4,5 | 125 |
| 373415 | 38,5 | 46,5 | 15,5 | 17,8 | 27,2 | 6,5 | 235 |
| 373423 | 46,5 | 54,5 | 15,7 | 18,0 | 27,2 | 6,5 | 325 |
| 373431 | 54,5 | 70,5 | 19,1 | 23,7 | 40,6 | 8,0 | 655 |
| 373449 | 70,5 | 86,5 | 23,7 | 28,3 | 46,1 | 10,0 | 1270 |
| 373456 | 86,5 | 102,5 | 25,7 | 30,2 | 51,0 | 12,5 | 1785 |
Если вы хотите купить центрирующий зажим с шариком № 6383ZEK , вы можете:
Позвонить:
Ещё из раздела центрирующее зажимные устройства
Набор шестигранников Nr. 911BM10D AMF Набор шестигранников Nr. 911BM10D AMFОтвёртки AMF Набор Шестигранных ключей ISO 2936 (мм), 8 штук. Ключ хром-ванадиевой, с гальваническим покрытием, закаленный. Отшлифованные торцы. ... подробнее |
