Параллельный упор, одиночный AMF № 6351
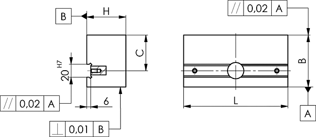
Параллельный упор, одиночный AMF № 6351 Корпус закален и отшлифован. Параллельность в пределах 0,02 мм, согласованный допуск 0,02 мм. Номинальный допуск DIN 7168 средний.
Описание:
Параллельные упоры являются идеальными установочными элементами для машин среднего и большого размера. Блоки фиксированного типа. 6322 A и скользящие блоки DIN 6323 подходят для пазов 20H7 параллельного упора. Комбинации с различными прецизионными блоками позволяют использовать столы с разными размерами слотов.
Возможны следующие варианты крепления на столе станка:
1) Болты для Т- образных пазов DIN 787 в комплекте (состоят из болтов для Т-образных пазов DIN 787, шестигранных гаек DIN 6330B и шайб DIN6340) или
2) Болты с внутренним шестигранником ISO 4762 с T- гайки DIN 508 и шайбы DIN 6340
| № заказа | Паз | В | С | H | L | Подходящая комбинация болтов: DIN508, ISO4762, DIN6340, DIN787 компл. | Вес [кг] |
| 74369 | 10-24 | 60 | 40 | 30 | 125 | M10x10-M20x24 | 1,6 |
| 74377 | 12-36 | 80 | 55 | 60 | 160 | M12x12-M24x36 | 5,7 |
| 74385 | 12-36 | 100 | 75 | 100 | 160 | M12x12-M24x36 | 12,1 |
Если вы хотите купить параллельный упор, одиночный AMF № 6351 , вы можете:
Позвонить:
Ещё из раздела призматический блок, упоры
Губки для низкого зажима, модель „Bulle" AMF № 6490Губки для низкого зажима, модель „Bulle" AMF № 6490 Улучшенная сталь, отпущенная с воронением. Упаковка: 2 в коробке в комплекте с крепежным винтом ISO 4762 (10.9), ... подробнее |

