Тиски станочные механические MIKSAN
Тиски станочные механические MIKSAN
В наличии. Бесплатная доставка до вашего адреса во все регионы Таможенного союза ЕАЭС.
Механические стальные тиски прекрасно подходят для использования на станке с ЧПУ.
Тиски фиксируют обрабатываемый материал и в то же время подтягивает заготовку к основанию тисков благодаря подпружиненной системе модульных губок, находящихся в подвижных губках. Вся движущаяся поверхность тщательно отшлифована. Благодаря клиновидной фиксации расстояние перемещения челюсти можно быстро отрегулировать.
Вся движущаяся поверхность тщательно отшлифована и закалена.
Область применения: ЧПУ и механические фрезерные станки, шлифовальные и сверлильные станки, различные промышленные станки.
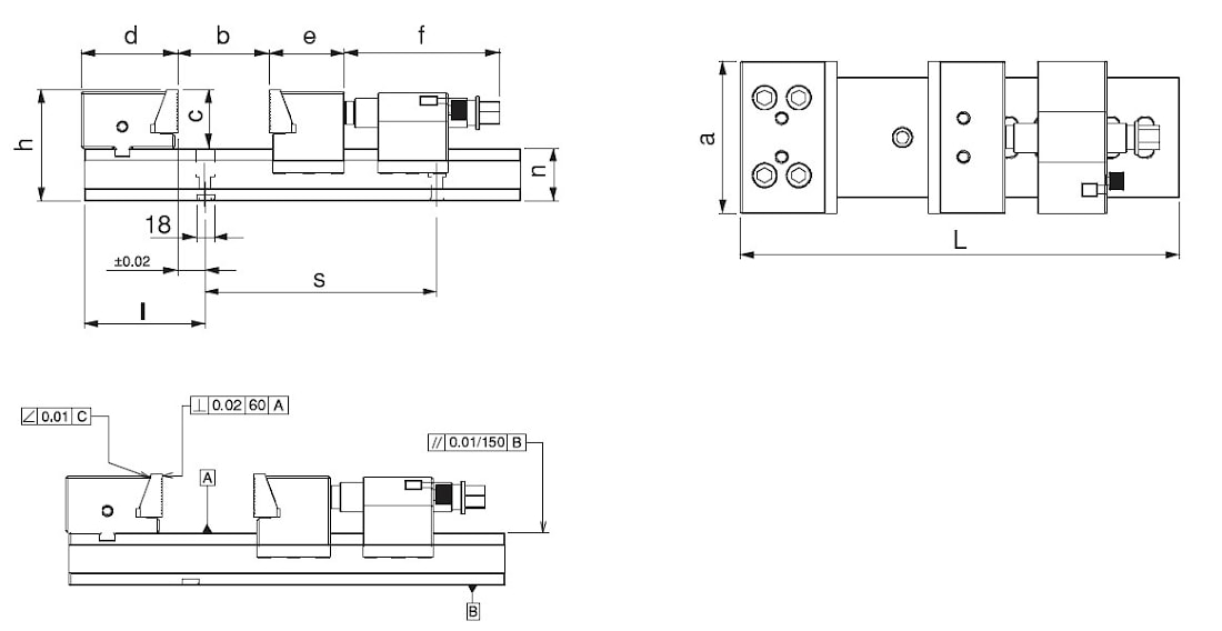
| № заказа | A | B | C | L | D | E | F | H | I | N | S | Усилие | Крутящий момент (N-m) | Вес, кг |
| 2330-127160 | 127 | 0-160 | 60 | 422 | 99 | 78 | 160 | 115 | 125 | 55 | 200 | 4500 | 170 | 28 |
| 2330-157200 | 157 | 0-200 | 60 | 462 | 99 | 78 | 160 | 115 | 150 | 55 | 200 | 4500 | 170 | 46 |
| 2330-157300 | 157 | 0-300 | 60 | 562 | 99 | 78 | 160 | 115 | 150 | 55 | 250 | 4500 | 170 | 51 |
| 2330-197300 | 197 | 0-300 | 60 | 562 | 99 | 78 | 160 | 115 | 150 | 55 | 250 | 4500 | 170 | 66 |
| 2330-197400 | 197 | 0-400 | 60 | 662 | 99 | 78 | 160 | 115 | 150 | 55 | 350 | 4500 | 170 | 73 |
| 2330-197500 | 197 | 0-500 | 60 | 762 | 99 | 78 | 160 | 115 | 150 | 55 | 250/250 | 4500 | 170 | 80 |
| 2330-197600 | 197 | 0-600 | 60 | 862 | 99 | 78 | 160 | 115 | 150 | 55 | 250-250 | 4500 | 170 | 86 |

Ещё из раздела Тиски механические
Набор шестигранников Nr. 911BM10D AMF Набор шестигранников Nr. 911BM10D AMFОтвёртки AMF Набор Шестигранных ключей ISO 2936 (мм), 8 штук. Ключ хром-ванадиевой, с гальваническим покрытием, закаленный. Отшлифованные торцы. ... подробнее |
