Крепление для T-образных пазов AMF № 6541
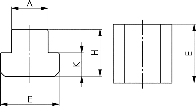
Крепление для T-образных пазов AMF № 6541 Для закрепления комплекта стяжных цепей № 6540 на столе станка, состоит из гайки для Т-образных пазов, аналогичной DIN 508, и винта ISO 4762, класс прочности 8.8.
| № заказа | D x паза | A | E | H | K | Вес [g] |
| 84251 | M12 x 14 | 13,7 | 22 | 16 | 8 | 60 |
| 84269 | M12 x 16 | 15,7 | 25 | 18 | 9 | 80 |
| 84277 | M12 x 18 | 17,7 | 28 | 20 | 10 | 105 |
| 84285 | M16 x 18 | 17,7 | 28 | 20 | 10 | 115 |
| 84293 | M16 x 20 | 19,7 | 32 | 24 | 12 | 170 |
| 84343 | M16 x 22 | 21,7 | 35 | 28 | 14 | 240 |
| 84350 | M16 x 24 | 23,7 | 40 | 32 | 16 | 335 |
Если вы хотите купить крепление для T-образных пазов AMF № 6541 , вы можете:
Позвонить:
Ещё из раздела комплекты стяжных цепей
Набор шестигранников Nr. 911BM10D AMF Набор шестигранников Nr. 911BM10D AMFОтвёртки AMF Набор Шестигранных ключей ISO 2936 (мм), 8 штук. Ключ хром-ванадиевой, с гальваническим покрытием, закаленный. Отшлифованные торцы. ... подробнее |
