Усилитель давления HC2
 Усилитель давления HC2
   Усилитель давления HC2 HC2 - компактный прибор, весящий всего 1,0 кг. Он идеально подходит для использования в различных областях, где требуется создание и поддержание высокого давления.
HC2 поднимает подаваемое давление до более высокого выходного давления и автоматически компенсирует расход масла для поддержания высокого давления. Регулировка давления на выходе осуществляется изменением подаваемого давления.
Версии HC2: 15 различных коэффициентов усиления
PIN: 20–207 бар
PH: 800 бар макс.
PRETURN: низкое, насколько возможно (обратное давление в баке)
POUTLET: PH = (PIN – PRETURN) i (усиление)
Подключение: линейная трубка
Вес: 1.0 кг
Версии моделей:
Модель A = без клапана сброса
Модель B = с клапаном сброса
Модель G = с прямым пропорциональным управлением
Скорости потока:
| Коэффициент усиления i | Макс. усиленный поток на выходе л / мин | Макс. впускной поток л / мин | 
|---|---|---|
| 1.2 | 3,5 | 8,0 | 
| 1,5 | 4,2 | 12,0 | 
| 2,0 | 3,2 | 12,0 | 
| 2,2 | 2,9 | 12,0 | 
| 2.5 | 2,7 | 13,0 | 
| 2,8 | 2.5 | 13,0 | 
| 3,2 | 2.5 | 15,0 | 
| 4,0 | 2,0 | 14,0 | 
| 5.0 | 1,6 | 14,0 | 
| 6,6 | 1,3 | 13,0 | 
| 9,0 | 0.9 | 13,0 | 
| 13,0 | 0.6 | 12,0 | 
| 20,0 | 0,3 | 12,0 | 
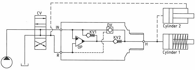
Описание:
Основная операция показана на функциональной схеме. Масло подается через направляющий клапан CV в порт IN и свободно течет через обратные клапаны KV1, KV2 и DV на сторону высокого давления H. В этом случае достигается максимальный поток через усилитель, обеспечивающий функцию ускоренной перемотки вперед.
При достижении давления насоса на стороне высокого давления H клапаны KV1, KV2 и DV закроются. Конечное давление будет достигаться с помощью колебательного насосного блока OP. Устройство автоматически остановится, когда будет достигнуто конечное давление на стороне высокого давления H. Если падение давления на стороне высокого давления происходит из-за потребления или утечки, клапан OP будет автоматически работать для поддержания конечного давления.
 
 Типы подключений:
| № | IN / R | H | 
|---|---|---|
| 1 | 1/4" BSPP | 1/4" BSPP | 
| 2 | 7/16-20 UNF | 9/16-18 UNF | 
Если вы хотите купить усилитель давления HC2  , вы можете:
 Позвонить: 
| Магнитная зажимная плита № 2990-50  Магнитная зажимная плита № 2990-50 Магнитная зажимная пластина с квадратным полюсом в моноблочной конструкции. Для позиционирования, зажима и обработки намагничиваемых материалов. Эта ... подробнее | 

