Отвертка для квадратных болтов двигателя DIN 905 AMF
Отвертка для квадратных болтов двигателя DIN 905 AMFСпециальная сталь, корпус и захват закаленные и вороненные.
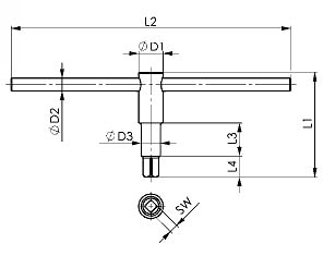
| № заказа | SW | D1 | D2 | D3 | L1 | L2 | L3 | L4 | Вес, гр. |
| 41988 | (4) | 12 | 6 | 6 | 60 | 160 | 20 | 9 | 70 |
| 41996 | 5 | 12 | 6 | 8 | 60 | 160 | 20 | 11 | 70 |
| 42002 | 6 | 12 | 6 | 10 | 80 | 160 | 22 | 12 | 80 |
| 42010 | (7) | 14,6 | 6 | 12 | 80 | 160 | 26 | 15 | 115 |
| 42028 | 8 | 16 | 9 | 14 | 80 | 180 | 26 | 15 | 180 |
| 42036 | 9 | 16 | 9 | 14 | 80 | 180 | 26 | 17 | 180 |
| 42044 | 10 | 20 | 11 | 18 | 100 | 200 | 30 | 18 | 320 |
| 42051 | 11 | 20 | 11 | 18 | 100 | 200 | 30 | 20 | 320 |
| 42069 | 12 | 24 | 12 | 20 | 100 | 250 | 38 | 21 | 450 |
| 42077 | 13 | 24 | 12 | 20 | 100 | 250 | 38 | 22 | 450 |
| 42085 | 14 | 28 | 14,6 | 22 | 120 | 320 | 38 | 24 | 780 |
| 42093 | 17 | 34 | 16 | 25 | 160 | 400 | 50 | 28 | 1500 |
| 42101 | 19 | 36 | 16 | 28 | 200 | 400 | 50 | 30 | 1850 |
| 42119 | 22 | 42 | 20 | 32 | 200 | 630 | 65 | 34 | 3100 |

базовое назначение
ключ для станков, ручной прижим заготовки
материал
из вороненой стали
по применению
для cтанкостроения, для металлообработки
Если вы хотите купить отвертка для квадратных болтов двигателя DIN 905 AMF , вы можете:
Позвонить:
Ещё из раздела ключи для станков
Комплект стяжных цепей AMF № 6540 Комплект стяжных цепей AMF № 6540 Зажимной крюк, цепь и контропора из улучшенной стали. Крепление для T-образных пазов № 6541 нужно заказывать отдельно. Состоит из: - зажимного крюка - ... подробнее |
