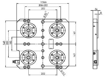
Четырехместная зажимная станция No. 6204S4HA-001
Четырехместная зажимная станция No. 6204S4HA-001Гидравлическая разблокировка.
Пневматический выдув.
Зажимные модули сделаны из стали,нержавеющей и закаленной.
Основание: Сталь
Точность повторения <0,005 мм.
Гидравлический зажимная станция оптимизирована для зажима на станке.
Зажим M12 винта с внутренним шестигранником.
Функция выдувания может быть индивидуально подключена.

| № заказка | Модель | Усилие захвата [kN] | Удерживающая сила [kN] | Выдув | Вес [Kg] |
| 427500 | K10.2 | 4 x 10 | 2 x 25 | ● | 14 |
Если вы хотите купить четырехместная зажимная станция No. 6204S4HA-001 , вы можете:
Позвонить:
Ещё из раздела Гидравлическая зажимная станция
Губки для низкого зажима, модель „Bulle" AMF № 6490Губки для низкого зажима, модель „Bulle" AMF № 6490 Улучшенная сталь, отпущенная с воронением. Упаковка: 2 в коробке в комплекте с крепежным винтом ISO 4762 (10.9), ... подробнее |

