Модульное зажимное устройство № 6809P AMF
 Модульное зажимное устройство № 6809P  AMF
   Модульное зажимное устройство № 6809P  AMF  с поворотной опорой, предназначенная для сварки модель.Передача приваривается в угловом положении. Расточенные и
закаленные опорные втулки. Закаленные, отшлифованные болты с долговечной смазкой. Зажимная гайка на плече рычага для регулируемого числа заходов. Материал: Вороненая сталь. Плечо рычага из вороненого стального литья.
Приспособления (не входят в комплект поставки):
- Удлинение зажимного рычага № 6809V
- Крепление шпинделя № 6809S
- Труба плеча рычага № 6809RK и 6809RL
- Ручка № 6809H
- Пластина основания № 6809G
- прижимной винт № 6885, 6886, 6894.
| № заказа | Размер | F1 [kN] | Вес [g] | 
| 90738 | 2 | 2,5 | 205 | 
| 90746 | 4 | 7 | 855 | 
| 90753 | 6 | 11 | 1600 | 
| 90761 | 8 | 22,5 | 3100 | 
| 90779 | 10 | 34 | 5560 | 
Указание:
Эти модульные зажимные устройства могут составляться индивидуально, в зависимости от требований изготовления производственного оборудования и крипежных приспособлений
 
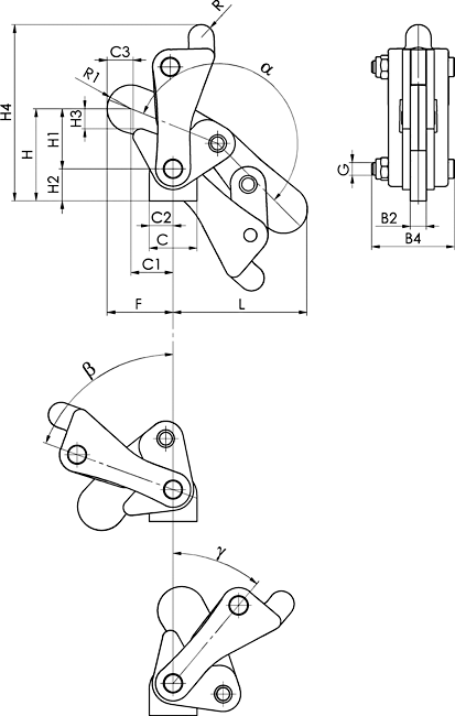
 Таблица размеров
| № заказа | Размер | b2 | b4 | c | c1 | c2 | c3 | f | g | h | h1 | h2 | h3 | r | r1 | альфа | бета | гамма | 
| 90738 | 2 | 6 | 31 | 22 | 22 | 11 | 12 | 32 | M 6 | 38 | 18 | 20 | 5 | 5 | 10 | 200° | 70° | 40° | 
| 90746 | 4 | 10 | 52 | 30 | 26 | 15 | 16 | 41 | M 8 | 58 | 38 | 20 | 12 | 8 | 15 | 200° | 70° | 40° | 
| 90753 | 6 | 12 | 60 | 36 | 36 | 18 | 20 | 55 | M10 | 78 | 50 | 28 | 16 | 11 | 18 | 200° | 70° | 40° | 
| 90761 | 8 | 16 | 76 | 50 | 50 | 25 | 27 | 72 | M12 | 68 | 65 | 33 | 19 | 14 | 22,5 | 200° | 70° | 40° | 
| 90779 | 10 | 20 | 90 | 70 | 52 | 35 | 22 | 77 | M16 | 117 | 83 | 33,5 | 25 | 14 | 25 | 200° | 60° | 28° | 
Если вы хотите купить модульное зажимное устройство № 6809P AMF  , вы можете:
 Позвонить: 
Ещё из раздела вертикальные зажимные устройства
| Комплект стяжных цепей AMF № 6540  Комплект стяжных цепей AMF № 6540 Зажимной крюк, цепь и контропора из улучшенной стали. Крепление для T-образных пазов № 6541 нужно заказывать отдельно. Состоит из: - зажимного крюка - ... подробнее | 

 
 
 
 
 
 
 
 
 
 
 
 
 
 
